Welcome to the website of Baoji Zhongheng Instrument Co., Ltd. Tel:+86-917-3512881
Differential pressure transmitter Single crystal silicon pressure transmitter Electromagnetic flowmeter Capacitive pressure transmitter High precision pressure transmitter Intelligent pressure switch Diffused silicon pressure transmitter Flow switch Intelligent pressure transfer controller Thermometer

Pressure transmitter


BXY6001 Differential Pressure

Product code

 

Overview

Product quotationProduct consulting

Product introduction

BXY6001- Differential Pressure Transmitter
The BXY6001 differential pressure transmitter is used to measure the liquid level, density, pressure, and flow rate of liquids, gases, or vapors, and then convert it into a 4-20mADC HART current signal output. BXY6001 can also communicate with RST375 handheld terminal or RSM100 Modem for parameter setting, process monitoring, etc.
Standard specifications
(Calibrate the range based on the standard zero point, stainless steel 316L diaphragm, filled with silicone oil)
1 Performance specifications
Reference accuracy for range adjustment
(Including linearity, backlash, and repeatability from zero)
± 0.075%
If TD>10 (TD=maximum range/adjustable range), it is:
± (0.0075 × TD)%
The square root output accuracy is 1.5 times the linear reference accuracy mentioned above
Environmental temperature impact


Range code

-Total impact from 20 ℃ to 65 ℃

A

±(0.45×TD+0.25)%×Span

B

±(0.30×TD+0.20)%×Span

C/D/E

±(0.20×TD+0.10)%×Span

Range code

-Total impact of 40 ℃~-20 ℃ and 65 ℃~85 ℃

A

±(0.45×TD+0.25)%×Span

B

±(0.30×TD+0.20)%×Span

C/D/E

±(0.20×TD+0.10)%×Span

Over range impact: ± 0.075% × Span
Static pressure effect


Range code

influence quantity

A

±(0.15%URL+0.10%Span)/4MPa

B

±(0.10%URL+0.075%Span)/16MPa

C/D/E

±(0.05%URL+0.05%Span)/16MPa

Overvoltage effect

Range code

influence quantity

A

±0.2%×Span/4MPa

B

±0.2%×Span/16MPa

C/D/E

±0.1%×Span/16MPa

Long term stability

Range code

influence quantity

A

±0.5%×Span/1year

B

±0.2%×Span/1year

C/D/E

±0.1%×Span/1year

Power impact: ± 0.001%/10V (12-42V DC), negligible.
2 Functional specifications
Range and range



Range/
range


kPa

mbar

A

Range

0.1~1

1~10

Range

-1~1

-10~10

B

Range

0.2~6

2~60

Range

-6~6

-60~60

C

Range

0.4~40

4~400

Range

-40~40

-400~400

D

Range

2.5~250

25~2500

Range

-250~250

-2500~2500

E

Range

20~2000

0.2~20 bar

Range

-500~2000

-5~20bar

Range limit
Within the upper and lower limits of the range, it can be adjusted arbitrarily.
It is recommended to select range codes with the lowest possible range ratio to optimize performance characteristics.
Zero point setting
The zero point and range can be adjusted to any value within the measurement range in the table, as long as the calibrated range is ≥ the minimum range
Installation position impact
The change in installation position parallel to the film surface will not cause zero drift. If the installation position changes by more than 90 ° to the film surface, there will be zero drift within the range of<0.4kPa, which can be corrected by adjusting zero. No range impact.
output
2-wire system, 4-20mADC, selectable for digital communication with HART output, with options for linear or square root output.
Output signal limit: Imin=3.9mA, Imax=20.mA
Alarm current
Low alarm mode (minimum): 3.7 mA
High alarm mode (maximum): 21 mA
No alarm mode (hold): maintain the effective current value before the fault
Alarm current standard setting: high alarm mode
response time
The damping constant of the amplifier component is 0.1s; The sensor time constant is between 0.1 and 1.6 seconds, depending on the range and range ratio. The additional adjustable time constant is 0.1~60s.
The impact on nonlinear output (such as square root function) depends on that function and can be calculated based on it.
Preheating time:<15s
ambient temperature
-40-85 ℃
When equipped with LCD display and fluororubber sealing ring, -20~65 ℃
Storage temperature/transportation temperature
-50-85 ℃; With LCD display: -40~85 ℃
working pressure
The rated working pressure is divided into three levels: 16MPa, 25MPa, and 40MPa
Static pressure limit
From an absolute pressure of 3.5kPa to the rated pressure, the protective pressure can be greater than 1.5 times the rated pressure and applied to both sides of the transmitter.
Unidirectional overload limit: Unidirectional overload can reach rated pressure
Electromagnetic compatibility (EMC)
Refer to the "Electromagnetic Compatibility Schedule" on the next page
3 Installation
Power supply and load conditions
The power supply voltage is 24V, R ≤ (Us-12V)/Imax k Ω
Where Imax=23 mA
Maximum power supply voltage: 42VDC
Minimum power supply voltage: 12VDC, 15VDC (backlight LCD display)
Digital communication load range: 250~600 Ω
Electrical connections
M20X1.5 cable sealing buckle and wiring terminal are suitable for wires ranging from 0.5 to 2.5mm2.
Process Connection
The two ends of the process connection flange have NPT 1/4 and UNF 7/16 internal threads.
4 Physical specifications
material quality
Measurement capsule: stainless steel 316L
Diaphragm: stainless steel 316L, Hastelloy C
Process flange: stainless steel 304
Nut and bolt: stainless steel (A4)
Filling fluid: silicone oil
Sealing ring: nitrile rubber (NBR), fluororubber

Note: (1) A performance level description: During testing, the performance is normal within the technical specification limits.
(2) B performance level description: During testing, the function or performance is temporarily reduced or lost, but it can recover on its own, and the actual operating status, storage, and data remain unchanged.
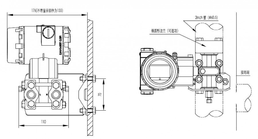
External dimension unit (mm)
Horizontal piping connection method (side) Horizontal piping connection method (front)

墙装连接方式 垂直配管连接方式

5电气连接图



注:快捷接口功能等同于信号端子。