Welcome to the website of Baoji Zhongheng Instrument Co., Ltd. Tel:+86-917-3512881
Differential pressure transmitter Single crystal silicon pressure transmitter Electromagnetic flowmeter Capacitive pressure transmitter High precision pressure transmitter Intelligent pressure switch Diffused silicon pressure transmitter Flow switch Intelligent pressure transfer controller Thermometer

Liquid level transmitter


BXY6001 Differential Pressure

Product code

 

Overview

Product quotationProduct consulting

Product introduction

The thermal flow switch adopts precision electronic components widely used in aviation and automobiles, and its reliable and stable circuit design makes the flow signal more accurate and stable. Currently, it has been widely used in industries such as steel, metallurgy, pharmaceuticals, and chemical engineering
The ZH-L2 thermal flow switch is an upgraded version of the ZH-L1 model, which not only has more prominent improvements in the signal processing of the flow switch probe, but also makes the HL-L2 software operation and control functions more powerful; Easy to operate and easy to install.

The measuring principle of the ZH-L2 thermal flow switch is the same as that of the ZH-L1, and it is also designed based on the principle of heat exchange. The probe is equipped with a heating module and a heat sensing module, and the heat dissipation of the heating module is closely related to the flow rate of the measured fluid. If there is no medium flow in the pipeline, the signal received by the heat sensing circuit is a fixed value; When the fluid medium flows through the probe, the signal received by the thermal circuit changes with the flow rate of the medium. The thermal circuit converts the temperature difference signal between the heating module and the thermal module into an electrical signal, and the processor then converts it into signals such as PNP/NPN/4-20mA/relay for output.
Gas liquid dual purpose, can be used for gas and hydraulic systems, circulating water, cutting fluid and lubricating oil cutoff monitoring, and pump idle protection.

Range code


minimum range

maximum range

Rated pressure (maximum)

B

1kPa

6kPa

Rated pressure of liquid level flange

C

4kPa

40kPa

D

25kPa

250kPa

E

200kPa

2MPa

Table 2 Comparison Table of the Relationship between Liquid Level Flange and Minimum Range

Level flange

Nominal diameter

minimum range

Flat type

DN 50/2”

10kPa

DN 80/3”

1kPa

DN 4”

1kPa

plug-in

DN 50/2”

16kPa

DN 80/2”

1kPa

DN 4”

1kPa

The minimum range of the differential pressure liquid level transmitter should be the larger value of the minimum range in Table 1 and Table 2. The adjusted range shall not be less than the minimum range. The maximum range of the liquid level transmitter should be the minimum of the maximum range of the transmitter body and the rated pressure of the liquid level flange.
4 output signals
2-wire system, 4-20mADC HART output, digital communication, with HART protocol loaded on 4-20mADC signal.
Output signal limit: Imin=3.9mA, Imax=20.mA
Alarm current (mode can be set)
Low alarm mode (minimum): 3.7 mA
High alarm mode (maximum): 21 mA
No alarm mode (hold): maintain the effective current value before the fault
Alarm current standard setting: high alarm mode
5 Response time
The damping constant of the amplifier component is 0.1s; The time constant of the sensor and liquid level flange is 0.2-2 seconds, depending on the range and range ratio. The additional adjustable time constant is 0.1~60s.
6 General conditions
6.1 Installation conditions
The liquid level flange transmitter can be directly fixed in any position. The optimal state is to keep the process flange axis in a vertical position, and the positional deviation will result in a correctable zero offset. The electronic watch case can rotate up to 360 °, and the positioning screw can fix it in any position.
6.2 Environmental conditions
ambient temperature
Minimum: depending on the filling fluid
Maximum: 85 ℃
When equipped with LCD display and fluororubber sealing ring, -20~65 ℃
Storage temperature/transportation temperature
Minimum: depending on the filling fluid
Maximum: 85 ℃
Relative humidity
0-100%
Impact resistance
Acceleration: 50g
Duration: 11ms
Anti vibration
2g to 500Hz
Electromagnetic compatibility (EMC)
See Table 3 "Electromagnetic Compatibility Schedule" on the next page
6.3 Process Medium Limits
Medium temperature limit: -30~180 ℃
Transmitter body pressure limit
From an absolute pressure of 3.5kPa to the rated pressure, the protective pressure can be greater than 1.5 times the rated pressure and applied to both sides of the transmitter.
Rated pressure of liquid level flange
ANSI standard: 150psi~600psi
DIN standard: PN 1.6MPa~PN 10MPa
Unidirectional overload limit
The low pressure side is the rated pressure of the transmitter body, and the high pressure side is the rated pressure of the liquid level flange, which may cause adjustable zero drift.
Weight: DN 50/2 "approximately 7-10kg; DN 80/3 "approximately 8-11kg; DN 4 "is approximately 9-12kg.
Explosion proof performance
NEPSI Flameproof License: Ex d Ⅱ C T6
NEPSI Intrinsic Safety License: Ex ia IIC T4
Permissible operating temperature: -40 ℃~65 ℃
6.4 Power supply and load conditions
The power supply voltage is 24V
R ≤ (Us-12V)/Imax k Ω
Where Imax=23 mA
Maximum power supply voltage: 42VDC
Minimum power supply voltage


Serial Number

Test items

Basic standards

Test conditions

Performance Level

1

Radiated interference (shell)

GB/T 9254-2008表5

30MHz~1000MHz

qualified

2

Conducted interference
(DC power port)


GB/T 9254-2008表1

0.15MHz~30MHz

qualified

3

Electrostatic discharge (ESD) immunity

GB/T 17626.2-2006

4kV(触点)

8kV(空气)

B

4

Radio frequency electromagnetic field immunity

GB/T 17626.3-2006

10V/m (80MHz~1GHz)

A

5

Power frequency magnetic field immunity

GB/T 17626.8-2006

30A/m

A

6

Electrical fast transient pulse group immunity

GB/T 17626.4-2008

2kV(5/50ns,5kHz)

B

7

Surge immunity

GB/T 17626.5-2008

1kV(Between lines)

2kV(Between lines)(1.2us/50us)

B

8

Immunity to conducted interference induced by radio frequency fields

GB/T 17626.6-2008

3V (150KHz~80MHz)

A

Note: (1) A performance level description: During testing, the performance is normal within the technical specification limits.
(2) B performance level description: During testing, the function or performance is temporarily reduced or lost, but it can recover on its own, and the actual operating status, storage, and data remain unchanged.
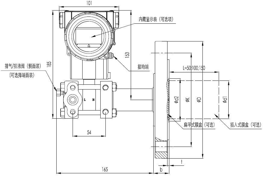
External dimension unit (mm)


Table 4 Structural dimensions of liquid level flange

Nominal diameter

Rated pressure

ΦD

ΦK

Φd1

Φd2

Φd3

t

b

Required bolts

plug-in

Flat type

number

thread

DN 50

PN1.6/4MPa

165

125

48.3

57

102

3+0.5

20

4

M16

(Sealing surfaceDIN 2526E

PN 6.4MPa

18

135

48.3

57

102

3+0.5

26

4

M20

(flangeDIN 2501)

PN 10MPa

195

145

48.3

57

102

3+0.5

28

4

M20

DN 80

PN1.6/4MPa

200

160

76

75

138

3+0.5

24

8

M16

(Sealing surface DIN 2526E type)

PN 6.4MPa

215

170

76

75

138

3+0.5

28

8

M20

(Flange DIN 2501)

PN 10MPa

230

180

76

75

138

3+0.5

32

8

M24

DN 2"
(ANSI B 16.5 RF)

150psi

152.4

120.6

48.3

57

92.1

3+0.5

17.4

4

M18

300psi

165.1

127.0

48.3

57

92.1

3+0.5

20.6

8

M18

600psi

165.1

127.0

48.3

57

92.1

6.35

31.75

8

M18

DN 3"
(ANSI B 16.5 RF)

150psi

190.5

152.4

76

75

127

3+0.5

22.2

4

M16

300psi

209.5

168.3

76

75

127

3+0.5

27.0

8

M20

600psi

209.5

168.3

76

75

127

6.35

38.05

8

M20

DN 4“

150psi

229

191

89

89

157

3+0.5

30

8

M18

(ANSI B 16.5 RF)

300psi

255

200

89

89

157

3+0.5

32

8

M18

Note: Users can choose to install bolts and nuts.
7 Electrical connection diagram


Note: The quick interface function is equivalent to the signal terminal.
8. Instructions for Low Voltage End Process Connection