Welcome to the website of Baoji Zhongheng Instrument Co., Ltd. Tel:+86-917-3512881
Differential pressure transmitter Single crystal silicon pressure transmitter Electromagnetic flowmeter Capacitive pressure transmitter High precision pressure transmitter Intelligent pressure switch Diffused silicon pressure transmitter Flow switch Intelligent pressure transfer controller Thermometer

temperature sensor

Product code

 

Overview

Small size, light weight, beautiful appearance, an
Product quotationProduct consulting

Product introduction


1、 Overview:
This series of temperature transmitters consists of temperature sensors and transmitter modules. The transmitter module is installed in the top junction box of the temperature sensor, converting the resistance signal detected by the temperature sensor into a 4-20mA current output. This transmitter has simple results and is easy to install, use, and maintain. It is a new generation of temperature detection instruments that can be used in conjunction with regulators, recorders, computers, and other devices to form various measurement and control instruments. It is highly welcomed by designers and users and is widely used in departments such as petroleum, chemical industry, metallurgy, power plants, and light industry.
This transmitter is divided into two types based on temperature sensors: thermocouple and thermal resistance. Users can choose the appropriate specifications and models according to the usage situation and supporting requirements.
2、 Features:
·Small size, light weight, beautiful appearance, and elegance
·Good long-term stability and repeatability
·Several times the corrosion resistance, wear resistance, impact resistance, and vibration resistance characteristics
·Equipped with reverse protection and current limiting protection functions
3、 Main parameters:
·Sensor type and measurement range
Thermocouple K 0-1200 ℃ E 0-800 ℃ J 0-600 ℃
T 0~300 ℃ S 0~1600 ℃ B 0~200 ℃
Thermal resistance Cu50-50~50 ℃ Pt100-200~500 ℃
(Users can choose the measurement range according to their needs)
·Power supply voltage: 12-36VDC, recommended 24VDC.
·Insertion depth: 75mm~2500mm (users can choose according to their needs)
·Explosion proof grade: dIIBT4
·Output signal: Two wire system 4-20mA, current resolution approximately 1.6uA
·Limit current: approximately 22mA
·Temperature drift coefficient:<20ppm/℃ or 0.004% FS/1 ℃ (basic range)
·Working environment: temperature -40 ℃~85 ℃, humidity<85%, dry and non corrosive environment
·Measurement accuracy: 0.2% FS, 0.5% FS (calibrated basic range)
·Electrical interface: M20 * 1.5 (internal thread)
·Load resistance: RL ≤ 50 (VLOOP-12) Ω
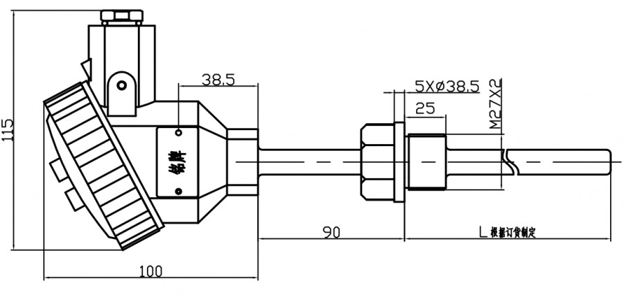
4、 Outline dimensions and wiring diagram:



5、 Precautions
Please connect the wires correctly according to the diagram. If the connection is reversed, there will be no signal output due to the protective measures adopted inside the transmitter. The transmitter can work when connected to the power supply. This product is a precision primary measuring instrument, and it is strictly prohibited to hit, clamp, or disassemble it arbitrarily. Install the instrument in a ventilated, dry, and corrosion-free location as much as possible. If the on-site environment is harsh, appropriate measures should be taken to protect the instruments. If the output is abnormal, stop the machine for inspection. If it is a product quality issue, return it to our factory for repair and replacement along with the warranty card and user manual.
Note: Non professionals are not allowed to disassemble the instrument circuit board or change other devices. If debugging is required, please call the manufacturer for technical guidance.