1、 Overview
This product is an intelligent digital temperature measurement and control product that integrates temperature measurement, display, output, and control. This product is a fully electronic structure, with a front end using a temperature sensor with isolation film filled oil pressure resistance or a ceramic pressure resistance sensor. The output signal is amplified and processed by a high-precision, low-temperature drift amplifier, sent to a high-precision A/D converter, and converted into a digital signal that can be processed by a microprocessor. The processed signal controls two switches to measure and control the temperature of the control system. This product is flexible to use, easy to operate, easy to debug, and safe and reliable. Widely used in industries such as hydropower, tap water, petroleum, chemical, mechanical, hydraulic, etc., to measure, display, and control the temperature of fluid media.
2、 Characteristics
Display the current temperature value with 4 digits.
◆ Temperature preset switching points and hysteresis switching output
◆ The shell is equipped with a node action LED for easy observation
Key adjustment and on-site setting of various parameters, easy to operate
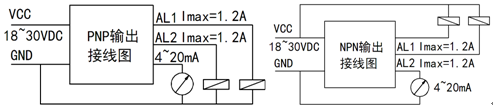
◆ 1-2 switching outputs, with a load capacity of 1.2A, and the switching value can be set arbitrarily from zero to full scale
There are three types of switches available: PNP type, NPN type, and relay type. Analog output (4-20mA) is optional
3、 Technical parameters:
Control range P
+
Power range P
24V+20% 2
Load capacity+
24V1. 2h#
Stability+
≤ 0.2% per year+
Display Range ρ
-1999 9999+
Maximum power consumption+
43W+
Lead wire method.
M12-5P-1+
Switch life+
>1 million times+
Protection level+
IP65+
Environmental temperature+
-30 ^ C~70C+
Relative humidity+
080% 4
Medium temperature+
-40C-85C+medium
4、 Installation
4.1 Mechanical connection:
This product can be directly installed on the hydraulic pipeline through a temperature pipe joint (DIN3582 external thread M20 * 1.5) (other size joints can be specified when ordering). In critical applications such as severe vibration or impact, temperature pipe joints can be mechanically decoupled through micro hoses.
4.2 Electrical connections:
To prevent the impact of electromagnetic interference, the following precautions should be taken:
Using shielded wires, if installed with micro hoses, the casing must be grounded separately
Try to avoid directly approaching the wiring of user devices or electrical and electronic devices that cause interference as much as possible


5、 Overall dimensions
|