Welcome to the website of Baoji Zhongheng Instrument Co., Ltd. Tel:+86-917-3512881
Differential pressure transmitter Single crystal silicon pressure transmitter Electromagnetic flowmeter Capacitive pressure transmitter High precision pressure transmitter Intelligent pressure switch Diffused silicon pressure transmitter Flow switch Intelligent pressure transfer controller Thermometer

Pressure transmitter


BXY6012/13- Differential Press

Product code

 

Overview

Product quotationProduct consulting

Product introduction

BXY6012 Differential Pressure Installation Gauge
transmitter
BXY6013- Differential pressure installation absolute pressure
transmitter
BXY6012/3-Differential pressure mounted gauge/absolute pressure transmitter is used to measure the liquid level, density, and pressure of liquids, gases, or vapors, and then convert it into a 4-20mADC HART current signal output. BXY6012/3 can also communicate with RST375 handheld terminals or RSM100 Modems for parameter setting, process monitoring, etc.
Standard specifications
(Calibrate the range based on the standard zero point, stainless steel 316L diaphragm, filled with silicone oil)
1 Performance specifications
Reference accuracy for range adjustment
(Including linearity, backlash, and repeatability from zero)
± 0.075%
If TD>10 (TD=maximum range/adjustment range), then it is:
± (0.0075 × TD)%
Environmental temperature impact


Range code

-20℃~65℃Total impact amount

B/L

±(0.30×TD+0.20)%×Span

other

±(0.20×TD+0.10)%×Span

Range code

-40℃~-20℃和65℃~85℃Total impact amount

B/L

±(0.30×TD+0.20)%×Span

other

±(0.20×TD+0.10)%×Span


Overrange impact:±0.075%×Span


Long term stability

Range code

influence quantity

B/L

±0.2%×Span/1year

other

±0.1%×Span/1year


Power impact
± 0.001%/10V (12-42V DC), negligible
2 Functional specifications
Range and range (BXY6012 gauge pressure transmitter)


Range/Range

kPa

bar

B

Range

0.6~6

6~60mbar

Range

-6~6

-60~60mbar

C

Range

2~40

0.02~0.4

Range

-40~40

-0.4~0.4

D

Range

2.5~250

0.025~2.5

Range

-100~250

-1~2.5

F

Range

30~3000

0.3~30

Range

-100~3000

-1~30

G

Range

0.1~10MPa

1~100

Range

-0.1~10MPa

-1~100

H

Range

0.21~21 MPa

2.1~210

Range

-0.1~21 MPa

-1~210

I

Range

0.4~40 MPa

4~400

Range

-0.1~40 MPa

-1~400


Range and Range (BXY6013 Absolute Pressure Transmitter)

Range and Range

kPa

bar

L

Range

2~40

0.02~0.4

Range

0~40

0~0.4

M

Range

2.5~250

0.025~2.5

Range

0~250

0~2.5

O

Range

30~3000

0.3~30

Range

0~3000

0~30


Range limit
Within the upper and lower limits of the range, it can be adjusted arbitrarily. It is recommended to select range codes with the lowest possible range ratio to optimize performance characteristics.
Zero point setting
The zero point and range can be adjusted to any value within the measurement range in the table, as long as the calibrated range is ≥ the minimum range
Installation position impact
The change in installation position parallel to the film surface will not cause zero drift effect. If the change in installation position exceeds 90 ° with the film surface and there is a zero position effect within the range of<0.4kPa, it can be corrected by adjusting zero. No range impact.
output
2-wire system, 4-20mADC, selectable for digital communication with HART output, with options for linear or square root output.
Output signal limit: Imin=3.9mA, Imax=20.mA
Alarm current
Low alarm mode (minimum): 3.7 mA
High alarm mode (maximum): 21 mA
No alarm mode (hold): maintain the effective current value before the fault
Alarm current standard setting: high alarm mode
response time
The damping constant of the amplifier component is 0.1s; The sensor time constant is between 0.1 and 1.6 seconds, depending on the range and range ratio. The additional adjustable time constant is 0.1~60s.
Preheating time:<15s
ambient temperature
-40-85 ℃
When equipped with LCD display and fluororubber sealing ring, -20~65 ℃
Storage temperature/transportation temperature
-50-85 ℃
With LCD display: -40~85 ℃
Pressure limit: from vacuum to maximum range.
Overload limit:


range

6kPa

(1B)

40kPa

(1C/1L)

250kPa

(1D/1M)

Overload limit

16MPa

16MPa

16MPa

range

2(3)MPa

(1E/1O)

10MPa

(1G)

21MPa

(1H)

40MPa

(1I)

Overload limit

16MPa

20MPa

25MPa

45MPa


Electromagnetic compatibility (EMC): see "Electromagnetic Compatibility Schedule" on the next page
3 Installation
Power supply and load conditions
The power supply voltage is 24V, R ≤ (Us-12V)/Imax k Ω
Where Imax=23 mA
Maximum power supply voltage: 42VDC
Minimum power supply voltage: 12VDC, 15VDC (backlight LCD display)
Digital communication load range: 230~600 Ω
Electrical connections
M20X1.5 cable sealing buckle and wiring terminal are suitable for wires ranging from 0.5 to 2.5mm2.
Process Connection
The end face of the process connection flange has NPT 1/4 and UNF 7/16 internal threads.
4 Physical specifications
material quality
Diaphragm: stainless steel 316L, Hastelloy C
Process connection: stainless steel 316L
Filling fluid: silicone oil
Transmitter housing: aluminum alloy material, with epoxy resin sprayed on the surface
Shell sealing ring: nitrile rubber (NBR)
Nameplate: stainless steel 304
weight
3.3kg (without LCD display, mounting bracket, process connection)
Shell protection level: IP67
Electromagnetic Compatibility Schedule

(1) A performance level description: During testing, the performance was normal within the technical specification limits.
(2) B performance level description: During testing, the function or performance is temporarily reduced or lost, but it can recover on its own, and the actual operating status, storage, and data remain unchanged.
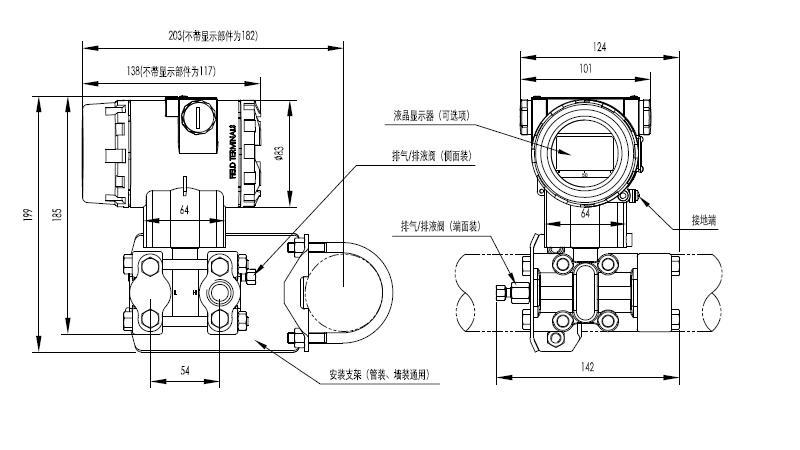
External dimension unit (mm)

Wall mounted connection method Vertical piping connection method


5 Electrical connection diagram



Note: The quick interface function is equivalent to the signal terminal.
6 Process Connection Instructions