Welcome to the website of Baoji Zhongheng Instrument Co., Ltd. Tel:+86-917-3512881
Differential pressure transmitter Single crystal silicon pressure transmitter Electromagnetic flowmeter Capacitive pressure transmitter High precision pressure transmitter Intelligent pressure switch Diffused silicon pressure transmitter Flow switch Intelligent pressure transfer controller Thermometer

Pressure transmitter


BXY6002 gauge pressure/BXY6003

Product code

 

Overview

Product quotationProduct consulting

Product introduction

BXY6002 gauge pressure remote transmitter

BXY6003 Absolute Pressure Remote Transmission Transmitter


1 Application
The diaphragm box of the remote transmitter is used to prevent the medium in the pipeline from directly entering the pressure sensor component of the transmitter. It uses silicone oil and other filling liquids to transmit pressure between the transmitter and it.
The BXY6002/3 gauge/absolute pressure remote transmitter is used to measure the liquid level, density, and pressure of liquids, gases, or vapors, and then convert them into 4- 20mADC HART current signals for output. BXY6002/3 can also communicate with RST375 handheld terminals or RSM100 Modems for parameter setting, process monitoring, etc. The measurement range of the BXY6002/3 gauge/absolute pressure remote transmitter (when not relocated) is 0- 6kPa~25MPa, and the rated pressure of the remote flange is 1.6/4MPa, 6.4MPa, 10MPa, 150psi, 300psi, or 600psi, respectively.
2 Working Principle and Structure
The BXY6002/3 gauge/absolute pressure remote transmitter consists of a BXY6002/3 series gauge/absolute pressure transmitter and a welded and installed capillary remote flange. Its working principle is the same as the BXY6002/3 series gauge/absolute pressure transmitter (refer to the technical specifications of the BXY6002/3 series gauge/absolute pressure transmitter), but the pressure transmission path is slightly different: the pressure acting on the remote flange side first passes through the diaphragm and filling liquid on the remote flange, then through the capillary, and finally reaches the measurement end of the measurement sensor.
3 inputs
Measurement parameters: gauge pressure, absolute pressure, liquid level
measuring range
Gauge pressure remote transmitter:
Lower limit value: from -100% URL (continuously adjustable)
Upper limit value: to+100% URL (continuously adjustable)
Absolute pressure remote transmitter:
Lower limit value: from 0 to 100% URL (continuously adjustable)
Upper limit value: to+100% URL (continuously adjustable)
range
Table 1 Comparison Table of Range Code and Range Range Relationship



Range code


minimum range

maximum range

Rated pressure (maximum)

C

6kPa

40kPa

Rated pressure of

liquid level flange

D

25kPa

250kPa

F

30kPa

3MPa

G

1MPa

10MPa

H

2.1MPa

21MPa

I

4MPa

40MPa

L

6kPa Absolute pressure

40kPa Absolute pressure

M

25kPaAbsolute pressure

250kPa Absolute pressure

O

30kPa Absolute pressure

3MPa Absolute pressure

Table 2 Comparison Table of the Relationship between Remote Transmission Flange and Minimum Range

flange

Nominal diameter

Min/Max Range

Maximum capillary length

Flat type

DN 25/1”

160kPa/25MPa

10m

DN 50/2”

10kPa/10MPa

12m

DN 80/3”

6kPa/10MPa

16m

DN 4”

6kPa/3MPa

16m

plug-in

DN 50/2”

16kPa/10MPa

10m

DN 80/2”

6kPa/10MPa

16m

DN 4”

6kPa/3MPa

16m

Thread mounted

remote transmission


outside diameter

109mm

160kPa/25MPa

10m

The minimum range of gauge/absolute pressure remote transmitter should be Table 1 and Table 2
The larger value of the minimum range in. The adjusted range shall not be less than the minimum range. The maximum range of the gauge/absolute pressure remote transmitter should be the minimum of the maximum range of the transmitter body and the rated pressure of the remote flange.
4 output signals
2-wire system, 4-20mADC HART output, digital communication, with HART protocol loaded on 4-20mADC signal.
Output signal limit: Imin=3.9mA, Imax=20.mA
Alarm current (mode can be set)
Low alarm mode (minimum): 3.7 mA
High alarm mode (maximum): 21 mA
No alarm mode (hold): maintain the effective current value before the fault
Alarm current standard setting: high alarm mode
5 Response time
The damping constant of the amplifier component is 0.1s; The time constant of the sensor and remote flange is 0.2-6s, depending on the sensor's range, range ratio, capillary length, and the viscosity of the filled liquid. The additional adjustable time constant is 0.1~60s.
6 General conditions
6.1 Installation conditions
Gauge/absolute pressure remote transmitters without capillaries can be installed directly through remote flanges, and positional deviations will result in correctable zero offset. The electronic watch case can rotate up to 360 °, and the positioning screw can fix it in any position.
The gauge/absolute pressure remote transmission flange is connected to a matching flange that complies with ANSI/DIN standards. The matching flange should be equipped with soft gaskets and fixed bolts and nuts (users can choose to install bolts and nuts).
For gauge/absolute pressure remote transmitters with capillary tubes, if the remote sealing device is lower than the transmitter body, the maximum height difference between the remote sealing device and the transmitter body should be<5m. When the working pressure is below 100kPa absolute pressure, the transmitter body must be lower than the remote sealing device.
The minimum bending radius of the capillary is 75mm, and winding is strictly prohibited!
6.2 Environmental conditions
ambient temperature
Minimum: depending on the filling fluid
Maximum: 85 ℃
When equipped with LCD display and fluororubber sealing ring, -20~65 ℃
Storage temperature/transportation temperature
Minimum: depending on the filling fluid
Maximum: 85 ℃
Relative humidity: 0-100%
Impact resistance
Acceleration: 50g
Duration: 11ms
Anti vibration
2g to 500Hz
Electromagnetic compatibility (EMC)
See Table 4 "Electromagnetic Compatibility Schedule" on the next page
6.3 Process Medium Temperature Limit
Medium temperature: -30~400 ℃
Table 3 Relationship between Filling Fluid, Working Temperature, and Minimum Working Pressure


Fill Fluid

silicone oil

(S)

High temperature

silicone oil(H)

Ultra high

temperature silicone oil(U)

vegetable oil(V)

density25℃

960

kg/m3

980

kg/m3

1020

kg/m3

937

kg/m3

Operating temperature

range


-30~

200℃

-10~

350℃

-10~

400℃

0~

250℃


temperature

Working pressure range (kPa absolute pressure)

20℃

>10

>10

>10

>25

100℃

>25

>25

>25

>50

150℃

>50

>50

>50

>75

200℃

>75

>75

>75

>100

250℃


>100

>100

>100

350℃


>100

>100


400℃



>100


Note: If the working temperature and pressure relationship exceeds the above range, it should be specially pointed out that special designs can be used to meet the requirements.
Pressure limit of transmitter body: vacuum to maximum pressure
Rated pressure of remote transmission flange:
ANSI standard: 150psi~600psi
DIN standard: PN 1.6MPa~PN 10MPa
weight
DN 50/2 "is about 7-10kg, DN 80/3" is about 8-11kg, and DN 4 "is about 9-12kg.
Explosion proof performance
NEPSI Flameproof License: Ex d Ⅱ C T6
NEPSI Intrinsic Safety License: Ex ia IIC T4
Permissible operating temperature: -40 ℃~65 ℃
6.4 Power supply and load conditions
The power supply voltage is 24V
R ≤ (Us-12V)/Imax k Ω
Where Imax=23 mA
Maximum power supply voltage: 42VDC
Minimum power supply voltage: 12VDC, 15VDC (backlight LCD display)
Digital communication load range: 250~600 Ω
material quality
Measurement capsule: stainless steel 316L
Diaphragm: stainless steel 316L, Hastelloy C, tantalum
Process flange: stainless steel 304
Filling fluid: silicone oil, high-temperature silicone oil, ultra-high temperature silicone oil, vegetable oil
Transmitter housing: aluminum alloy material, with epoxy resin sprayed on the surface
Shell sealing ring: nitrile rubber (NBR)
Nameplate: stainless steel 304
Electrical connections
M20X1.5 cable sealing buckle and wiring terminal are suitable for wires ranging from 0.5 to 2.5mm2.
Process Connection
The remote flange complies with ANSI or DIN standards. Can be installed directly, please refer to the dimension diagram.
Shell protection level: IP67
———————————————————————————— ————————————————
Table 4 Electromagnetic Compatibility Schedule


Serial

Number

Test items

Basic standards

Test conditions

Performance

Level

1

Radiated interference (shell)

GB/T 9254-2008Table 5

30MHz~1000MHz

qualified

2

Conducted interference
(DC power port)


GB/T 9254-2008Table 1

0.15MHz~30MHz

qualified

3

Electrostatic discharge

(ESD) immunity

GB/T 17626.2- 2006

4kV(Contact point)

8kV(air)

B

4

Radio frequency electromagnetic

field immunity

GB/T 17626.3-2006

10V/m (80MHz~1GHz)

A

5

Power frequency magnetic

field immunity

GB/T 17626.8- 2006

30A/m

A

6

Electrical fast transient

pulse group immunity

GB/T 17626.4-2008

2kV(5/50ns,5kHz)

B

7

Surge immunity

GB/T 17626.5-2008

1kV(Between lines)

2kV(Between lines)(1.2us/50us)

B

8

Immunity to conducted

interference induced

by radio frequency fields

GB/T 17626.6-2008

3V (150KHz~80MHz)

A

Note: (1) A performance level description: During testing, the performance is normal within the technical specification limits.
(2) Performance level description: During testing, the function or performance temporarily decreases or is lost, but can be restored on its own. The actual operating status, storage, and data do not change
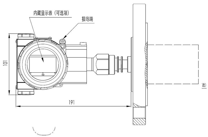
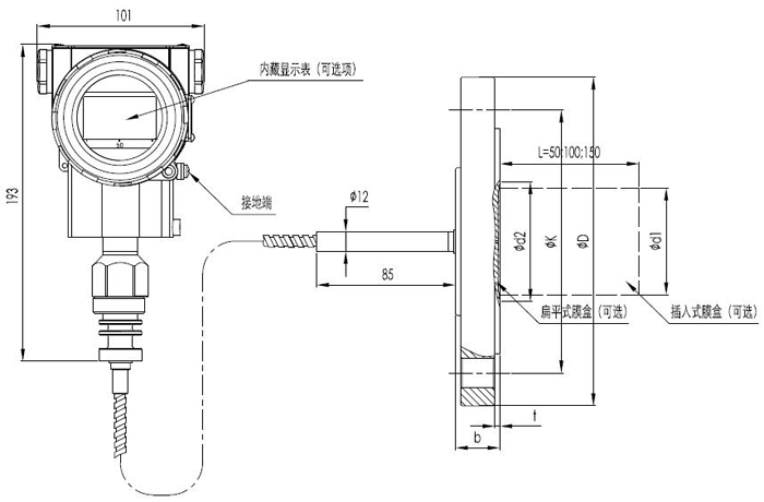
7 Dimensions in millimeters
Figure 1 Basic Remote Sealing Device Diagram (RS Type)

Figure 2 Basic Remote Sealing Device Direct Installation Diagram (RN Type)